Produtos
Casa Produtos

Por que os engenheiros preferem a série JST BVR para sedes de válvulas de esfera?

Por que os engenheiros preferem a série JST BVR para sedes de válvulas de esfera?

  • December 30. 2025

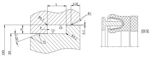
Quando se trata de vedação radial unidirecional para a sede da válvula de esfera, nosso cliente sempre prefere o modelo JST “BVR”, mas por quê?

A resposta está na sua geometria de vedação otimizada e no design ativado por pressão. A série BVR é composta por uma mola de nível inclinada e uma jaqueta de polímero, que é usada principalmente como um vedação da haste Sob pressão, o lábio de vedação é energizado e pressionado firmemente contra a sede da válvula, garantindo excelente estanqueidade mesmo em altos níveis de pressão.

Com a seleção adequada de materiais — como compostos de PTFE ou polímeros com carga — a vedação funciona de forma confiável sob alta pressão, flutuações de temperatura e meios agressivos comumente encontrados em petróleo e gás , aplicações químicas e industriais.

Por fim, os clientes valorizam a facilidade de instalação e a consistência no desempenho. O modelo “BVR” da JST foi projetado para um encaixe preciso, minimizando erros de instalação e garantindo resultados de vedação consistentes em diferentes tamanhos de válvulas e condições de operação.

A seguir, apresentamos recomendações técnicas para as dimensões das ranhuras.

Condições de trabalho

DI(mm)

G(mm)

DE (mm)

L +0,2 /(mm)

Tamanho mínimo H (mm)

10000 psi

-60~180℃

7 a 15

2.4

9,5

9,5

3.4

15~30

3.1

10

10

5.0

30~90

4,7

12,5

12,5

6

90~600

6.1

16

16

7

600~1200

9,5

28

28

9,5

© direito autoral: 2026 Guangzhou JST Seals Technology Co., Ltd. Todos os direitos reservados.

粤ICP备12032262号 Rede IPv6 suportada

Rede IPv6 suportada

principal

Deixe um recado

Deixe um recado

    Se você está interessado em nossos produtos e deseja saber mais detalhes, deixe uma mensagem aqui, responderemos o mais breve possível.

  • #
  • #
  • #